Square Bubbles
The current section will be about mathematical models. As an introduction
to the subject, the Square Bubbles anecdote is relevant. The story contains
some mathematical details. And these are essential. The reader is invited not
to skip the one or two formulas in this presentation. Technically, the matter is
simple enough to be understood on the basis of little more than high school
knowledge.
Many years ago - being a fourth year student at the Eindhoven University of
Technology (Technische Hogeschool Eindhoven at that time) - I was faced
with the following problem. And to be honest, I was not able to find a good
way to tackle it, let alone to solve it. Oh yes, all sort of complicated
formulas about tensors on curved surfaces were developed, resulting in my private
"fundamental bubble theory", that turned out to be entirely besides the point.
Abstraction
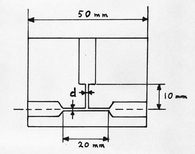
Given a piece of perspex with two capillary tubes in it, joined together in
the form of a T. Water flows from the right
to the left through the horizontal tube. Air flows from the top to the
bottom through the vertical tube. Where the two media meet, formation of
bubbles takes place. This mixture of air and water (bubbles) flows out
through the horizontal tube. The diameter of the capillaries is 1.0 mm.

Independent variables are the volume flows of air and water, also called air
flow $F_L$ and water flow $F_W$. Dependent variables are the frequency $f$ of
the bubbles and the bubble volume $V_L$. (It is theoretically possible, but not
very practical to consider instead the volume of "water bubbles" $V_W$.)
As can be easily shown, there is a simple relationship between the frequency
and the bubble volumes: $V_L = F_L/f$ and $V_W = F_W/f$.
The intention has been to also determine experimentally whether there exists
a relationship between the independent and dependent variables. Meanwhile we
know that such measurement is a form of Abstraction. The measured
values are shown in the table below. The value marked with (*) was originally
1.9, which most likely is based on a writing error during the measurements.
| Air (mm3/s) |
Water (mm3/s) |
Frequency (1/s) |
| 44 | 56 | 31 |
| 62 | 50 | 35 |
| 66 | 45 | 35 |
| 78 | 45 | 37 |
| 140 | 41 | 43 |
| 149 | 42 | 44.5 |
| 29 | 70 | 25 |
| 18 | 79 | 20 |
| 9 | 98 | 14.5 |
| 6 | 133 | 11 |
| 21 | 177 | 42 |
| 18 | 180 | 35 |
| 14 | 199 | 30 |
| 7 | 205 | 19 * |
| 9 | 232 | 22 |
| 1 | 235 | 2.4 |
| 33 | 145 | 47 |
| 49 | 135 | 57 |
| 55 | 135 | 62 |
| 62 | 124 | 60 |
| 66 | 117 | 65 |
| 91 | 117 | 80 |
| 95 | 152 | 80 |
| 96 | 109 | 75 |
| 99 | 108 | 73 |
| 120 | 112 | 90 |
| 122 | 92 | 76 |
| 145 | 115 | 92 |
| 146 | 98 | 88 |
| 157 | 98 | 97 |
| 169 | 100 | 95 |
Subsequently it was expected that I should be able explain the measurements, by
devising a mathematical model. The phenomenon of bubble formation has been
put on film as well, in order to be able to study it better. The following pictures
are snapshots from that film.
Series 1
Series 2
Series 3
Idealization
After seeing the movie, a friend and fellow student of me, in 5 minutes, solved
the whole problem, while sitting with me in the local student's pub, and using
the back side of a "coaster" (: thanks to everybody on the Web, for rendering
our Dutch "bierviltje" in English). Jacques Staal (1948-2014), he made a few
assumptions that simplified the whole problem dramatically.
In retrospect, I am certain that he must have understood perfectly well what
is essential and what not with designing a mathematical model. Let us start but
assume that the formation of the air bubbles is completely independent of the
surface tension, and thus independent of any possible curvature of the surfaces.
Then it is in fact not so important what exactly the form the bubble surface is
(such in stark contrast to what I had always thought).
The following is a sketch of the T-piece, containing the more "accurate" image
of a growing bubble, as seen from one side:

When the bubbles are not
required to be round, then we can imagine for our convenience that they are
instead, please do not panic: square. This now seems to be the crucial
step. It is clear that it is impossible to come to this without a good dose of
imagination and without moving away from direct experience.
What is happening here is beyond the ability of a simple measuring instrument.
And the solution requires a minimum of physics knowledge. What is really needed,
however, is some kind of engineering ingenuity, and quite some guts. In short:
a human being is needed here. We can no longer speak of abstraction, we must
talk about the creation of an idea in someone's mind: Idealization.
An idealized scenario for the formation of bubbles in the T-piece can now be
set up. According to the model, it works as shown here:

So the idea is that first the bubble is pressed by the air flow against the
other side of the water channel (stage 1-3), and then by the water flow across
the width of the air duct is cut off (phase 4-6). On the basis of this
idealized picture it is possible to set up a meaningful calculation:
- Time required for phase $(1)-(3) \;=\;$ diameter water-channel / air-speed
- Time required for phase $(4)-(6) \;=\;$ diameter air-channel / water-speed
Or: $\;t_{1-3} = d/(F_L/A)\;$ and $\;t_{4-6} = d/(F_W/A)\;$ .
Giving: $\;t_{1-3} = V_0/F_L\;$ and $\;t_{4-6} = V_0/F_W\;$ .
Here: $A =$ flow area, $d =$ channel diameter. Therefore $V_0 =$ sort of
"initial" volume, where $V_0 = A.d$ .
The total time needed for bubble formation is :
$\;t_{1-6} = t_{1-3} + t_{4-6} = 1/f = V_0 ( 1/F_L + 1/F_W )$ .
Hence the volume of the air bubbles is calculated by:
$$
V_L = F_L/ f = V_0 ( 1 + F_L/F_W ) \qquad \mbox{: MATHEMATICAL MODEL !}
$$
The only yet unknown quantity in this formula is the initial volume $V_0$ .
This "initial volume" can be determined in two independent ways. The first way
is based on a rough estimate: the volume must be something in between a sphere
and a cylinder.
Given the fact that the diameter of the capillaries is $1$ mm, we find for the
cylinder: $\pi/4.d^2.d = 0.785$ . And the sphere: $\pi/6.d^3 = 0.52$ . Hence:
$0.52 < V_0 < 0.78$ .
Secondly, we can try to match the the model with the measurements.
Let $x=F_L/F_W$ and $y=V_L$. A least squares adjustment gives:
$$ \sum_{i=1}^{N} \{V_0 [1 + x_i] - y_i \}^2 = \mbox{minimal} $$
where $N$ is the number of measuring points. This is a quadratic function in
$V_0$: $$ A V_0^2 - 2 B V_0 + C = \mbox{minimal} $$
With: $ A = \sum_{i=1}^{N} (1+x_i)^2 $ ;
$ B = \sum_{i=1}^{N} (1+x_i) y_i $ ;
$ C = \sum_{i=1}^{N} y_i^2 \; $ .
It is well known that the minimum of this parabola, with $V_0$ as an independent
variable, is found for : $V_0 = B/A$ . Or:
$$ V_0 = \frac{\sum_{i=1}^{N} (1+x_i) y_i}{\sum_{i=1}^{N} (1+x_i)^2} $$
This gives from the measurements a value of $V_0 = 0.6934510 \approx 0.7 \, mm^3$ :
the experimental value is indeed in between the rough theoretical values.
It does matter
Finally the measurements and calculations are put together in a chart. Then we
see among other things that the measurements for the smallest bubble volumes
systematically deviate from the calculations. This can be explained by the fact
that with a more powerful water flow the bubbles rather are "nipped in the bud",
which is before their initial volume $V_0$ is reached.

We have derived the fundamental natural law for the formation of bubbles in a
T-piece: $V_L = V_0 (1 + F_L/F_W)$. A law that convinces by simplicity and
elegance. There's a certain charm associated with such formulas, people say,
and one wonders what the the deepest ground is of this charm. In case of the
bubbles the answer is clear: the beauty of the formula found is due only to
the dramatic simplification that we have applied. The beauty does not occur
because we have grasped the reality in all its details, but precisely because
we have dispensed of most aspects of reality, not because we have pursued the
whole truth, but precisely because we have not pursued that truth. The paradox
is that we nevertheless have come closer to "the truth". After all, the result
is quantitative, agrees well with the experiments, in short: is exactly what one
would expect of a (small) piece of science.
Why so much attention has been given to a relatively inane application like
this one? Yes, I did talk about the fundamental law of physics for the formation
of bubbles in a T-piece, but that will no doubt be intended as a metaphor.
This author certainly is not going to say that a formula for silly bubbles,
nice as it is, has the same status as, for example, the Laws of Newton, or the
Lorenz Transformations? On the contrary;
that's precisely what this author intends to say. One of my key points
is that, as one gets deeper about it, no substantial distinction can be made
between "fundamental" and "applied" research. If we are a bit further, I will
gradually show that this distinction is increasingly difficult to sustain, and
finally has to go away. Albeit one can defend that $\,F = m\cdot a\,$ has a broader
scope than $\,V_L = V_0 (1 + F_L/F_W)$ , and in that sense is more fundamental. But I
will keep my stand that it refers to a gradual, not to an essential difference:
- One cannot draw a line somewhere between the laws of physics and say: on this side
everything is exact, on the other side everything is an approximation
The beauty of "real" natural laws is based on an illusion as well. It is merely
the result of a simplification, a simplification that, whether or not
deliberately, is applied by us people themselves, and which essentially is
distorting reality rather than including it.